•  

Jak si správně vybrat cylindrickou vložku

Jak vybrat a správně zaměřit cylindrickou vložku

Správná volba a přesné zaměření cylindrické vložky jsou klíčové pro zajištění bezpečnosti i komfortu při každodenním používání dveří. Níže najdete podrobný návod krok za krokem.

Co je cylindrická vložka a jak funguje?

  • Cylindrická vložka je bezpečnostní prvek, do kterého vkládáte klíč a který ovládá mechanismus zadlabacího zámku.
  • Uvnitř vložky je systém stavítek a kolíků – jen správný klíč je uvede do polohy umožňující otočení cylindru.
  • Speciální provedení s knoflíkem na vnitřní straně dovoluje zamykání a odemykání bez použití klíče (vhodné pro seniory).

Krok 1: Určete účel a bezpečnostní třídu vložky

  • 1.–2. třída: základní ochrana pro méně frekventované prostory (sklep, kůlna, interiérové dveře).
  • 3.–4. třída: vysoká až velmi vysoká odolnost proti odvrtání, bumpingu a planžetování – doporučeno pro hlavní vchody do bytu či domu.
  • Speciální funkce:
    • Emergency – odemkne zámek i při zasunutém klíči z druhé strany.
    • Bezpečnostní karta – klíče lze kopírovat pouze s její pomocí.
    • Generální klíč – jeden klíč otevírá všechny dveře v objektu.

Krok 2: Připravte měřicí pomůcky

  • Malé pravítko nebo skládací metr s přesností na 1 mm.
  • Stopek nebo tužka pro označení bodů (volitelné – pro lepší orientaci).
  • Starou cylindrickou vložku (pokud ji demontujete) vs. přímé měření přímo na dveřích.

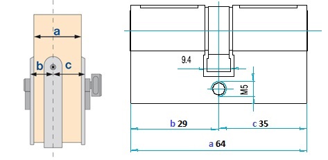
Krok 3: Jak správně změřit cylindrickou vložku

  • Nalezněte upevňovací šroub:
    • Otevřete dveře a na hraně dveří mezi vnější a vnitřní stranou najděte šroub, kterým je vložka připevněná.
  • Změřte obě strany od osy šroubu:
    • Vnější délka: od středu šroubu k vnější hraně vložky (mm).
    • Vnitřní délka: od středu šroubu k vnitřní hraně vložky (mm).
  • Varianty měření bez demontáže vložky:
    • Umístěte metr těsně k přednímu krytu vložky a změřte do osy šroubu.
    • Pak metr přiložte od osy šroubu k zadnímu krytu vložky.
  • Pokud původní vložku nemáte:
    • Změřte tloušťku dveří od hrany kiliče zámku k vnějšímu povrchu kování.
    • Vypočtěte poměr: vnější část vložky by měla být o cca 3 mm kratší než tloušťka kování, vnitřní část pak odpovídat zbývající tloušťce dveří.
  • Standardní délky: vyrábějí se v krocích po 5 mm (např. 30/35, 30/40, 35/35, 35/40 atd.).

Cylindrická vložka rozkres

Krok 4: Zvažte doplňkové funkce a zabezpečení

  • Ochrana proti odvrtání – pevné ocelové elementy v těle vložky.
  • Ochrana proti bumpingu – speciální stavítka s drážkami.
  • Ochrana proti planžetování – vnitřní pasti blokující rotaci bez správného klíče.
  • Knoflík na vnitřní straně – rychlé zamykání bez použití klíče.

Závěrem

  • Zvolte správnou bezpečnostní třídu podle účelu (1.–2. třída pro méně chráněné prostory, 3.–4. pro hlavní vchody).
  • Přesné měření od osy upevňovacího šroubu zajistí perfektní sednutí vložky.
  • Doporučujeme vložky se zvýšenou ochranou proti odvrtání, bumpingu a planžetování a s praktickými doplňky, jako je emergency funkce či bezpečnostní karta.

Investice do kvalitní a správně zaměřené cylindrické vložky je investicí do klidné mysli a bezpečí vašeho domova.


© Servisní partner FAB Brno, Novelo 91 s.r.o.